Заказать звонок
+7 (383) 239 04 36
rvn@ethercut.ru
МЕНЮ
ENG
ПРИМЕРЫ
ДОКУМЕНТАЦИЯ
Внедрения
ЦЕНА
НОВОСТИ
БЛОГ
О Компании
Контакты
ether
CUT
- Альбом схем применения
Скачать альбом принципиальных схем применения etherCUT
...
ether
CUT
-BT/DIN
основная схема
возможность подключения 2 сигналов DI контроля
ether
CUT
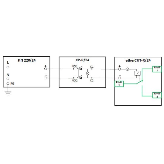
-R/24
Управление с СР-R/24
Эргономичная панель управления модулем
ether
CUT
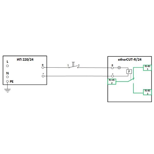
-R/24
Управление тумблером
простая схема для различных сценариев
ether
CUT
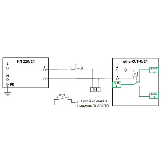
-R/24
Управление с контролем
внешнее реле для контроля состояния модуля
ether
CUT
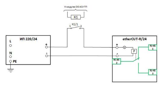
-R/24
Управление из АСУ ТП
управление модулем командами из АСУ ТП
ether
CUT
-R/24
каскадный доступ
возможность доступа ко множекству объектов
ether
CUT
-R/24
УПРАВЛЕНИЕ ПО ВРЕМЕНИ
возможность управления по расписанию
Группа компаний
etherCUT
Адрес
г. Новосибирск, проспект Академика Лаврентьева 2/2, офис 325
Звоните
+7 (383) 239 04 36
Email
rvn@ethercut.ru
© 2019
ether
CUT
- Ваш ключ к безопасности